대형펌프
Menu
용도 Use
- 토목 지하철공사 배수용 / 건설, 하수, 수중공사용 / 해수양수용
- 양식장 급수 및 배수용 / 조경 분수 시설용 / 수격시설, 폭포
- 계류시설 / 화공약품
특징 Features
- 고양정, 대물량으로 특수설계된 고효율 펌프
- 보수가 용이 Maintenance is easy
- 스테인레스로 제작된 초경량 제품 Lightweight product made of stainless steel
- 웬만한 이물질은 분쇄시켜 걸림현상 없음 Crushed by debris is tolerable jams None
적용부문 Application
양식장, 농업, 관개용 부문 / 건설공사 부문 / 분수, 폭포, 계류시설 부문 / 식품, 화공약품 부문 / 해수이용 부문
제품 사양 Product Specifications
| 구경(mm) | 형식(MODEL) | 전압(V) | 출력 | 전양정(m) | 양수량(m³/min) | 극수/상수(Pole/phase) | 주파수(Hz) | |
|---|---|---|---|---|---|---|---|---|
| kW | HP | |||||||
| 200 | PL-200-190-B-M | 220/380 | 18.5 | 25 | 35 | 1.6 | 2 Pole / 3Phase | 60/50 |
| PL-200-220-B-M | 22 | 30 | 40 | 2 | ||||
| PL-200-300-B-M | 30 | 40 | 50 | 2.5 | ||||
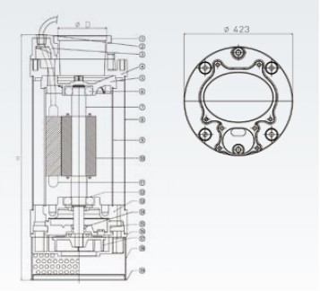
제품 치수도 Product Dimensions
| Model | H | D |
|---|---|---|
| PL-200-190-B-H/M | 1121 | 200 |
| PL-200-220-B-H/M | 1121 | 200 |
| PL-200-300-B-H/M | 1121 | 200 |
| NO | PART NAME | MAT'L |
|---|---|---|
| 1 | 호스 카플링(Outlet cover) | SSC 13 |
| 2 | 글랜드(Gland) | STS 304 |
| 3 | 스터핑박스(Cable cover) | SSC 13 |
| 4 | 헤드커버(Head cover) | SSC 13 |
| 5 | 브래킷(Bracket) | SSC 13 |
| ... | 중략 (사진 내용을 채워주세요) | ... |
| 19 | 스트레이너 밑판(Bottom plate) | STS 304 |
성능곡선 Performance Curve