중대형펌프
Menu
용도 Use
토목 지하철공사 배수용 / 건설, 하수, 수중공사용 / 해수양수용 / 양식장 급배수용 등 Public Subway Drainage / Construction, Sewage, Water For Construction / Sea Water Pumping
특징 Features
- 고양정, 대물량으로 특수설계된 고효율 펌프 High-rise, high-efficiency pumps specifically designed for quantity
- 스테인레스로 제작된 초경량 제품 Lightweight product made of stainless steel
제품 사양 Product Specifications
| 구경(mm) | 형식(MODEL) | 전압(V) | 출력 | 전양정(m) | 양수량(m³/min) | 극수/상수 | 주파수(Hz) | |
|---|---|---|---|---|---|---|---|---|
| kW | HP | |||||||
| 100 125 150 |
PL-100-055-B-M | 220/380 | 5.5 | 7.5 | 21 | 1 | 2 Pole / 3Phase | 60/50 |
| PL-125-075-B-M | 7.5 | 10 | 17 | 1.5 | ||||
| PL-150-110-B-M | 11 | 15 | 23 | 2 | ||||
| PL-150-150-B-M | 15 | 20 | 30 | 2.4 | ||||
| PL-100-055-B-H | 5.5 | 7.5 | 28 | 0.6 | ||||
| PL-125-075-B-H | 7.5 | 10 | 30 | 0.7 | ||||
| PL-150-110-B-H | 11 | 15 | 30 | 1 | ||||
| PL-150-150-B-H | 15 | 20 | 30 | 2.4 | ||||
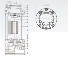
제품 치수 및 부품 Dimensions & Parts List
| Model | H | D |
|---|---|---|
| PL-100-055-B-H/M | 651 | 100 |
| PL-125-075-B-H/M | 715 | 125 |
| PL-150-110-B-H/M | 747 | 150 |
| PL-150-150-B-H/M | 747 | 150 |
| NO | PART NAME | MAT'L | NO | PART NAME | MAT'L |
|---|---|---|---|---|---|
| 1 | 호스 카플링 | SSC 13 | 11 | 회전자(Rortor) | SI |
| 2 | 글랜드 | STS 304 | 12 | 하부베어링 | STS 304 |
| 3 | 스터핑박스 | SSC 13 | 13 | 베어링하우징 | STS 304 |
| 4 | 헤드커버 | SSC 13 | 14 | 메카니컬 씰 | SIC |
| 5 | 브래킷 | SSC 13 | 15 | 오일 케이싱 | SSC 13 |
| 6 | 상부베어링 | STS 304 | 16 | 임펠러 | SSC 13 |
| 7 | 주축(Shaft) | STS 410 | 17 | 케이싱&커버 | SSC 13 |
| 8 | 바깥케이싱 | SSC 13 | 18 | 스트레이너 | STS 304 |
| 9 | 코일(Motor) | SI | 19 | 스트레이너 밑판 | STS 304 |
| 10 | 프레임 | STS 304 |