중소형펌프
Menu
용도 Use
토목 지하철공사 배수용 / 건설, 하수, 수중공사용 / 해수양수용 / 양어장, 양식장 급수 및 배수용 / 조경 분수 시설용 / 수경시설, 폭포, 계류시설 / 화공약품
특징 Features
- 낮은 에너지 소비전력 (Low energy consumption)
- 친환경제품: RoHS 대응 (무수은, 무납)
- 낙하시험 1.7M 시행 결과 이상 없이 동작 (1.7m drop test performed)
- 진동시험 X, Y, Z 축 각 60Hz 6분 시행 결과 이상 없이 동작
- 절연형 제품으로 감전으로부터 안전함 (Product safety from shock)
- 메탈 PCB 사용으로 LED 열경화, 효율 저하 해결과 장수명 유지
적용부문 Application
양식장, 농업, 관개용 부문 / 건설공사 부문 / 분수, 폭포, 계류시설 부문 / 식품, 화공약품 부문 / 해수이용 부문
제품 사양 Product Specifications
| 구경(mm) | 형식(MODEL) | 전압(V) | 출력 | 전양정(m) | 양수량(m³/min) | 극수/상수(Pole/phase) | 주파수(Hz) | |
|---|---|---|---|---|---|---|---|---|
| kW | HP | |||||||
| 80 | PL-80-015-B-M | 220/380 | 1.5 | 2 | 10 | 0.4 | 2 Pole / 3Phase | 60 / 50 |
| PL-80-022-B-M | 2.2 | 3 | 10 | 0.7 | ||||
| PL-80-030-B-M | 3 | 4 | 10 | 0.8 | ||||
| PL-80-037-B-M | 3.7 | 5 | 10 | 1 | ||||
| PL-80-015-B-H | 1.5 | 2 | 15 | 0.3 | ||||
| PL-80-022-B-H | 2.2 | 3 | 17 | 0.4 | ||||
| PL-80-030-B-H | 3 | 4 | 18 | 0.5 | ||||
| PL-80-037-B-H | 3.7 | 5 | 25 | 0.5 | ||||
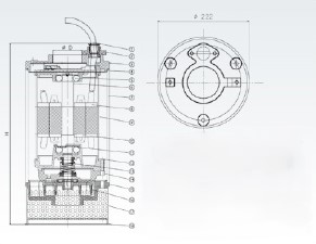
제품 치수도 Product Dimensions
| Model | H | D |
|---|---|---|
| PL-80-015-B-H/M | 475 | 80 |
| PL-80-022-B-H/M | 475 | 80 |
| PL-80-030-B-H/M | 505 | 80 |
| PL-80-037-B-H/M | 505 | 80 |
| NO | PART NAME | MAT'L |
|---|---|---|
| 1 | 호스 카플링(Outlet cover) | SSC 13 |
| 2 | 글랜드(Gland) | STS 304 |
| 3 | 스터핑박스(Cable cover) | SSC 13 |
| 4 | 헤드커버(Head cover) | SSC 13 |
| 5 | 브래킷(Bracket) | SSC 13 |
| 6 | 상부베어링(Upper bearing) | STS 304 |
| 7 | 주축(Shaft) | STS 410 |
| 8 | 바깥케이싱(Out body) | SSC 13 |
| 9 | 코일(Motor coil) | SI |
| 10 | 프레임(Frame) | STS 304 |
| NO | PART NAME | MAT'L |
|---|---|---|
| 1 | 회전자(Rortor) | SI |
| 2 | 하부베어링(Lower bearing) | STS 304 |
| 3 | 베어링하우징(Bearing housing) | STS 304 |
| 4 | 메카니컬 씰(Mechanical seal) | SIC |
| 5 | 오일 케이싱(Oil casing) | SSC 13 |
| 6 | 임펠러(Impeller) | SSC 13 |
| 7 | 케이싱 & 커버(Casing & cover) | SSC 13 |
| 8 | 스트레이너(Strainer) | STS 304 |
| 9 | 스트레이너 밑판(Bottom plate) | STS 304 |